Scott Jelsma Posted February 21, 2016 Share Posted February 21, 2016 Here is my final finished product: There are a lot of excellent posts on this forum of homemade stall bars. I thought I would add mine just as another example for anyone building their own. I don't think there is any "best" design; everyone has to build what fits their personal needs, requirements, budget, and building skills. Also, I will admit that I have access to quite a few tools. You could build stall bars with a lot fewer tools, but some of the additional tools make the job easier. Materials: I chose plywood for the uprights because of its price and strength. I used "cabinet grade" plywood from Home Depot. This is one area that I would change if I were doing it again. High quality birch plywood with a Grade of "B/BB" would be a better option. It has a higher quality thicker veneer and fewer "voids" than the plywood I used. While I am generally happy with my end result, I think using a higher grade birch plywood would have been a nicer end product with more of a furniture grade aesthetic appearance. I chose to use 1 3/8" Hickory dowels for the bars. Hickory is an incredibly strong wood and I wanted to be confident that the dowels would not break. For reference, here is a copy of a chart I found online with the relative strengths of different hardwoods: Plans: These are the dimensions I used. For a PDF file of the above image, Click here for StallBar_Plans . Top Section Template: For a PDF of the above image, Click here for StallBar_Top_Template. After ripping the plywood, I traced the top template onto the plywood. Cutting out top section. Ripping final dimension. Cut and ready to glue together. Gluing. Clamping. Sanding. Uprights ready for finishing. 1/4" round-over on the upright pieces. 1/4" round-over on the back nailer boards. Notch out the back of the uprights for the nailer boards and also for a notch for the baseboard that is on the wall where I will be installing them. Notches completed. Drill the 1 3/8" dowel holes with a forstner drill bit. Pre-drill for screws to go through the back of the uprights into the dowels to prevent them from turning. This hole was drilled to be slightly larger than the screw threads. Cut dowels and nailer boards to length (72"). After staining the uprights with a natural oil stain and also applying three coats of polyurethane, everything is ready to assemble. (NOTE: I left the dowels completely natural with no stain or polyurethane). Some of the dowels were VERY tight in the holes and almost impossible to push all the way through the center upright. To make it a little easier to insert, I LIGHTLY sanded the hole with a 1" drum sander on my drill. Counter sink for 3 1/2" screws. Hickory dowels were then predrilled for the screws (hickory is prone to splitting so pre-drill is required). Ready to be screwed. Assembly completed. 4 40 Link to comment Share on other sites More sharing options...
Orench Lagman Posted February 22, 2016 Share Posted February 22, 2016 Very nice set up. Well done. 2 Link to comment Share on other sites More sharing options...
Colm O'Shea Posted February 26, 2016 Share Posted February 26, 2016 A thing of beauty is a joy forever. 1 Link to comment Share on other sites More sharing options...
Eva Pelegrin Posted February 26, 2016 Share Posted February 26, 2016 Jeez, best documentary in stall bars! Thank you for sharing your work. I love seeing good craftsmanship. Wish I had someone around with your talents! I recently asked for an estimate to install my stall bars and I'm trying to digest the $900 cost for the labor installation! More $$ than the stall bars. Granted I have a complicated scenario: wall is actually narrower than stall bars, have to tear sheetrock wall, find wall of the building, steel brackets, etc. ughh. If anyone knows someone around NYC who can do it for less, please let me know. Link to comment Share on other sites More sharing options...
Scott Jelsma Posted February 28, 2016 Author Share Posted February 28, 2016 Thank you everyone for the complements. Eva, that's too bad about the cost for your installation! Hopefully you will find a less expensive alternative. As far as cost goes, I thought I would mention the cost (approximate) of mine for anyone who is interested: (1) sheet 3/4"x4'x8' plywood $ 35 (15) 1-3/8" x 72" hickory dowels 560 (3) 1"x4"x6' select pine boards 30 Stain and polyurethane 25 Screws 10 TOTAL $ 660 (USD) Obviously, this is still quite expensive but I figure that a double set of comparable retail stall bars would have been around $1100 delivered so I saved about 40%. I also got exactly what I wanted with as good or better quality, so I am pretty pleased. Also, I enjoy an occasional DIY project so I got some pleasure out of the process as well. The most expensive component was the dowels. Someone could spend much less by picking up the standard wood dowels carried at your local big-box home improvement store, but they would most likely be pine or poplar. That might be okay, but I decided to spend the extra on hickory because I didn't want to worry about a bar breaking. I might be overly cautious but it gives me peace of mind. 7 Link to comment Share on other sites More sharing options...
Kevin Easton Posted February 28, 2016 Share Posted February 28, 2016 Hey Scott, why did you decide to use plywood for the uprights? I was thinking about using a 2x8 or similar. I am not a seasoned wood worker and I am going to assume you're design is better. Is the plywood a better options? Link to comment Share on other sites More sharing options...
Scott Jelsma Posted February 28, 2016 Author Share Posted February 28, 2016 Kevin, that's a good question. I debated a lot about what wood to use for the uprights. I think using dimensional framing lumber could be a perfectly good option and I would not discourage anyone from using it. It is readily available, inexpensive, and with the proper design should be plenty strong. With my design, I decided against dimensional framing lumber for a couple of reasons: First, if you look my top template, the offset bar at the top is quite close to the edge of the wood and there is not a lot of wood below the bar. I would be a little concerned about the strength of common pine with this design. If I were to use common pine, I would make the curve out portion of the top section several inches lower on the board in order to add more bulk and strength to the entire top section. In my case I didn't want to do this because I wanted a smaller profile in the top section for appearance. My design is 8 1/2" wide which would have required 2 x 10 dimensional lumber. While it is certainly possible, I find it hard to find good straight lumber in this size that isn't bowed, cupped, twisted or warped. The aesthetic appearance of dimensional lumber was not quite what I wanted. This was simply a personal preference for the look I wanted in my fitness room. For strength and appearance, the nicest uprights in my opinion are made out of hardwood and I seriously considered using oak, maple, hickory, or even poplar. However, the price of hardwood uprights would have added another $150 or more to the cost of my stall bars. Also, if I were using hardwood for the uprights, I would modify the design to look more like the ones shown below. I copied this picture from the BodyTree GST web site (a Gymnasticbodies affiliate). I really like the design of these stall bars: I considered quality plywood as a good alternative due to its strength and affordability: In the vertical plane, plywood is incredibly strong and will not split the same as solid wood can. I don't know if it is as strong as a good hardwood, but it has to be close. With my design, I am not at all worried about any failure of the plywood in the top section even though there is not a lot of wood below the top bar. Plywood is much less expensive than hardwood and this was a consideration given how much I spent on the hickory dowels. Finally, I think that good quality plywood can look quite nice when finished. Here is an example: So, kind of a long answer to your question, but that was my thinking process in choosing plywood. 6 Link to comment Share on other sites More sharing options...
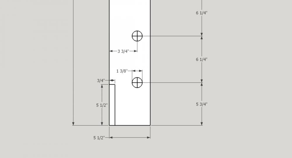
Mark McConnell Posted May 14, 2016 Share Posted May 14, 2016 Hi all, I'm brand new to GST and excited to begin dipping my toe in the water, so to speak. As I look around the forums I see that stall bars are a really essential piece of equipment used in training. I'm a finish carpenter by trade, so these will be no problem for me to build. To that end, I was inspired by how well Scott documented his own stall bars build, so I decided to draw his design on the computer. I am posting screen grabs from that drawing here in case the drawings and further measurements might help anyone (though all the detail I've included has already been covered by Scott). I drew these in Sketchup Make. Download the file here, if you'd like to take a closer look. 2 11 Link to comment Share on other sites More sharing options...
Rick Corcoran Jr. Posted May 28, 2016 Share Posted May 28, 2016 Scott, have you been really happy to have the full 6' of width? I am just getting started and I might have room for 6' but it would be a stretch. 3' I can handle pretty easily in my space. I see that most folks have 3' in their homes and I am sure that's part budget, part space. Any strong thoughts on this? Link to comment Share on other sites More sharing options...
Scott Jelsma Posted May 28, 2016 Author Share Posted May 28, 2016 I really like the 6' width and have been very happy with it. In my case it worked out very well for the layout of my room and fits perfectly on the wall where I wanted my stall bars. If you have the space and budget, I would recommend the extra width. I wouldn't recommend double width if it created a crowded workspace or forced you to give up other equipment that you would like to have. I think a more important factor if you go with the standard width is to try to have ample space on both sides of the stall bar. This allows for spreading out your legs and arms for various excercises. 1 Link to comment Share on other sites More sharing options...
Glen Eames Posted May 28, 2016 Share Posted May 28, 2016 I really like your shop vac attachment for dust collection on your sander. Why did I never think of that before... I have similar tools, good stuff. And oh yeah excellent tutorial on stall bars. Very nice build. 1.5 years later my pieces are still sitting in my garage waiting for me to get in gear... I will be building double stall bars with some extras as well. 1 Link to comment Share on other sites More sharing options...
Scott Jelsma Posted May 28, 2016 Author Share Posted May 28, 2016 Thanks Glen. Please post pictures of yours when you get it completed. 1 Link to comment Share on other sites More sharing options...
Mark McConnell Posted June 7, 2016 Share Posted June 7, 2016 So one question I have regarding stall bars is the use of the extended top rung. Does it ever get used for pull ups or chin ups or is it solely for hanging from when doing other exercises? I ask because I only have an eight foot ceiling and if pull ups were one of the things I would be using that top rung for, I would need to make some modifications to the ceiling framing above where the stall bars would go ... to make room for my head, you know. Is this something I should be concerned about or does one save the pull ups for an entirely different piece of exercise equipment? Thanks! Link to comment Share on other sites More sharing options...
Cole Dano Posted June 7, 2016 Share Posted June 7, 2016 The extension is just used to hang from. There will generally be a moveable attachment for doing pull ups etc. Link to comment Share on other sites More sharing options...
David Brooks Posted June 17, 2016 Share Posted June 17, 2016 Scott, Just wanted to thank you for providing such detailed instructions on how to build stall bars. A friend of mine and I put these together the other day and they are working out great. I did not have space for the double but think this will do. The templates you provided were fantastic. We had to tweak a few things (only 7 ft ceiling) but in the end I am pleased with the outcome. Sadly, I missed a training day...oops! Thanks again! 1 3 Link to comment Share on other sites More sharing options...
Cole Dano Posted June 17, 2016 Share Posted June 17, 2016 Nice work, only thing that may be a concern is if the overhang is too close to the ceiling. I suppose the upside of that is it will force your HLL ROM to be good so your feet don't bump the ceiling. In general, at least 6-8 inches of clearance is recommended. Please let us know if either of you find this to be an issue. Link to comment Share on other sites More sharing options...
Stephan Versendaal Posted June 17, 2016 Share Posted June 17, 2016 Question regarding the rings bolted to the ceiling. What bolts should i use? Link to comment Share on other sites More sharing options...
David Brooks Posted June 17, 2016 Share Posted June 17, 2016 Stephen, I used 1/4 X 4" bolts made by Spax T-star lags. They went into the beams in my basement. Cole Dano - thank you. I hope it works...with the ceiling height of only 7', I wasn't sure where to place them so I decided to go to the ceiling. I am afraid of losing height. Before the stall bars, I was using a pull up bar with no backing. So I may need to go back on nHLL (MN PE6). This week I am experimenting. 1 Link to comment Share on other sites More sharing options...
Scott Jelsma Posted June 17, 2016 Author Share Posted June 17, 2016 Stephan, For the gymnastic rings attached to my ceiling, I used 5/8" X 8" galvanized cast eye bolts. similar to these (click here). I have access to the attic above the ceiling so I used a 2X6 to span across the ceiling joists. The eyebolts are attached to the 2X6 with a wide fender washer, followed by a lock washer and nut. 1 Link to comment Share on other sites More sharing options...
Scott Jelsma Posted June 17, 2016 Author Share Posted June 17, 2016 21 hours ago, David Brooks said: Scott, Just wanted to thank you for providing such detailed instructions on how to build stall bars. A friend of mine and I put these together the other day and they are working out great. I did not have space for the double but think this will do. The templates you provided were fantastic. We had to tweak a few things (only 7 ft ceiling) but in the end I am pleased with the outcome. Sadly, I missed a training day...oops! Thanks Dave Brooks, Those look fantastic! Very nice work! I'm glad my instructions were useful to you. Enjoy the stall bars! Link to comment Share on other sites More sharing options...
Cole Dano Posted June 18, 2016 Share Posted June 18, 2016 19 hours ago, David Brooks said: Cole Dano - thank you. I hope it works...with the ceiling height of only 7', I wasn't sure where to place them so I decided to go to the ceiling. I am afraid of losing height. Before the stall bars, I was using a pull up bar with no backing. So I may need to go back on nHLL (MN PE6). This week I am experimenting. Yes, as long as your pike mobility is OK, you should be fine. If I had to make a choice between toes touching for floor or ceiling I'd pick ceiling as well. That's some thing you can improve with time, if the bars too low, you're stuck with it. 1 Link to comment Share on other sites More sharing options...
MEHMET BACIOGLU Posted June 23, 2016 Share Posted June 23, 2016 Did you use any varnish / polish for finishing or leave it just natural wood ? Link to comment Share on other sites More sharing options...
Scott Jelsma Posted June 23, 2016 Author Share Posted June 23, 2016 2 hours ago, MEHMET BACIOGLU said: Did you use any varnish / polish for finishing or leave it just natural wood ? I left the dowels completely natural. On the upright support pieces I used a natural oil stain followed by three coats of polyurethane. Link to comment Share on other sites More sharing options...
Will Ratliff Posted August 19, 2016 Share Posted August 19, 2016 Scott - Those look fantastic. Great plans, too. Thanks for sharing. I was looking locally at Lowes and Home Depot at the kinds of dowels available and mostly saw poplar dowels. Any cautions using this kind instead of the hickory ones? Thanks! Link to comment Share on other sites More sharing options...
Mark McConnell Posted August 19, 2016 Share Posted August 19, 2016 Will, I personally wouldn't use the poplar ones. I'd recommend maple or oak as better options. Consider the attached chart of wood strength comparisons (there are many more detailed charts available online, as well). 2 Link to comment Share on other sites More sharing options...
Recommended Posts
Please sign in to comment
You will be able to leave a comment after signing in
Sign In Now